
GEFRAN推出的:
SIN自復位位移傳感器
GEFRAN SIN自復位式直線位移傳感器,采用先進的設計理念和高品質材料制造而成。其du特的球形測頭和內置彈簧設計,使傳感器在測量過程中能夠保持ji高的穩定性和準確性。同時,該傳感器還具有雙向控制通桿和M2.5x0.45螺紋柄,便于安裝和調試。

GEFRAN傳感器產品特點

01精密技術
線性度高,精準測量,獨立線性度±0.05%~±0.3%。提供精確的測量數據。
02壽命長
控制桿材料使用尼龍66 G 25和不銹鋼AISI 303,確保測量穩定性和耐用性,使傳感器能長期穩定工作。使用壽命可達100x10?次,位移速度可達10m/s,位移力≤4N。
03安全可靠
符合ATEX CEI EN 50020 2003 標準,確保使用過程中的安全性。IP40/IP65可選,適應不同工作環境。
04廣泛適用
多種型號,可隨自身需求選擇,適用大部分情況。同時可選輔件齊全,搭配使用更方便。

GEFRAN傳感器產品細節




GEFRAN傳感器產品規格


位移速度
≤10m/s
電阻容差
±20%
振動
5-2000Hz
溫度系數
≤5PPM/℃典型
游標最大電流
10mA
理論使用壽命
1億次
儲存溫度
-50~+120℃
分辨率
無限
位移力
≤4N
沖擊
50g,11ms
游標推薦電流
<0.1µA
介電強度
<100µA
電氣絕緣
>100MΩ
工作溫度
-30~+100℃
控制桿材質
不銹鋼AISI 303
安裝方式
縱向軸可調式支架

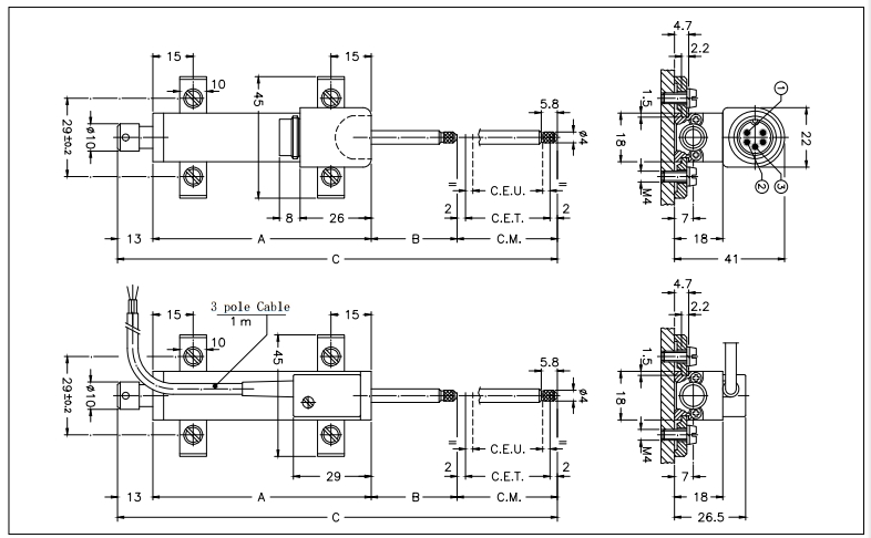
GEFRAN傳感器產品尺寸



GEFRAN傳感器適用范圍


有關更多GEFRAN傳感器選型,技術參數等信息請聯系我們。
聯系我們
上海韋信自動化設備有限公司 公司地址:上海市浦東新區環湖西二路888號C樓 技術支持:化工儀器網掃一掃 更多精彩
微信二維碼
網站二維碼